We’re happy to help you find the best option for your application.
In high-intensity operation scenarios such as large-scale mining and heavy infrastructure projects, the hydraulic valve group of the XCMG XE2000 mining excavator is the “command center” controlling the overall machine’s movements. The valve group pilot line (part number: 318307942) is the “nerve network” transmitting control signals, bearing the crucial responsibility of accurately transmitting pilot pressure signals to the valve group. It is a key pipeline component ensuring sensitive valve group response and precise equipment operation.
The valve group structure of the XCMG XE2000 excavator is highly precise, requiring extremely high dimensional accuracy, connection sealing, and signal transmission stability from the pilot line. The 318307942 valve manifold pilot line is a transmission pipeline specifically designed for the XE2000 model valve manifold. After 3D scanning modeling and multiple rounds of adaptation testing, it seamlessly interfaces with the valve manifold’s pilot interface, pilot pump, and control components. Its pipe diameter and routing are strictly matched to the overall hydraulic layout of the machine, ensuring lossless and delay-free transmission of the pilot pressure signal. This provides a stable channel for the valve manifold to accurately receive control commands, guaranteeing sensitive control of boom, bucket, and other movements.
The valve manifold pilot line transmits pilot pressure signals in high-pressure and vibration environments for extended periods, placing stringent requirements on the pipe material’s pressure resistance, flexibility, and fatigue resistance. The 318307942 valve group pilot line adopts a combination design of high-pressure resistant precision hoses and high-quality rigid pipes. The hoses are made of oil-resistant and aging-resistant high-strength rubber, with an inner reinforcing layer capable of withstanding high-frequency pressure impacts. The rigid pipes are made of precision cold-drawn steel pipes with surface anti-rust treatment, possessing excellent compressive strength and corrosion resistance. During long-term operation, it effectively resists hydraulic oil erosion, mechanical vibration, and alternating high and low temperatures, and is less prone to cracking, leakage, or aging hardening, ensuring stable and reliable pressure signal transmission.
The sensitive response of the valve group is the core of the XCMG XE2000 excavator’s precise operation. The 318307942 valve group pilot line, through its stable signal transmission capability, lays a solid foundation for improving overall machine efficiency. It can accurately and quickly deliver pilot control pressure to each control chamber of the valve group, ensuring that the valve core responds to operating commands in a timely manner, achieving stepless adjustment of equipment movements. Whether it’s force control during heavy-duty excavation or micro-motion adjustment during precision operations, this pilot line ensures a high degree of consistency between valve assembly output and operational intent, reducing lag or deviation. Simultaneously, stable signal transmission reduces wear on the valve assembly caused by pressure fluctuations, extending valve assembly lifespan, lowering equipment maintenance costs, and facilitating efficient project progress.
If you are looking for a reliable pilot line for the valve assembly control system maintenance or pipeline upgrades of your XCMG XE2000 excavator, part number 318307942 is undoubtedly the ideal choice. Choose it to build a precise channel for valve assembly control, ensuring accurate and efficient operation every time.

1 803376002 2 CONNECTOR
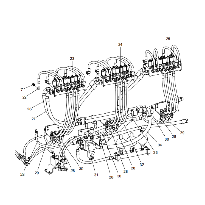
2 803370923 1 HOSE ASS’Y
3 318307923 1 CLAMP ASSEMBLY
4 803425534 1 HOSE ASS’Y
5 318307930 1 STEEL PIPE ASSEMBLY
6 803172365 1 CONNECTOR
7 803418588 24 CONNECTOR
8 803449986 1 HOSE ASS’Y
9 804414436 1 HOSE ASS’Y
10 804414437 1 HOSE ASS’Y
11 803409615 1 HOSE ASS’Y
12 803309692 1 HOSE ASS’Y
13 804414445 1 HOSE ASS’Y
14 318307924 1 ENERGY ACCUMULATOR ASSEMBLY
15 803171989 1 HOSE ASS’Y
16 803425085 1 HOSE ASS’Y
17 318307932 1 TRANSITION BLOCK ASSEMBLY
18 803193660 3 HOSE ASS’Y HOSE
19 803101842 3 HOSE ASS’Y
20 803382607 4 HOSE ASS’Y
21 803182230 2 HOSE ASS’Y

22 803107607 12 CONNECTOR
23 318307937 1 SOLENOID VALVE ASSEMBLY
24 318307933 1 SOLENOID VALVE ASSEMBLY
25 318307934 1 SOLENOID VALVE ASSEMBLY
26 803195664 1 HOSE ASS’Y
27 803484296 1 HOSE ASS’Y
28 804414438 6 HOSE ASS’Y
29 813406962 2 HOSE ASS’Y
30 804414439 3 HOSE ASS’Y
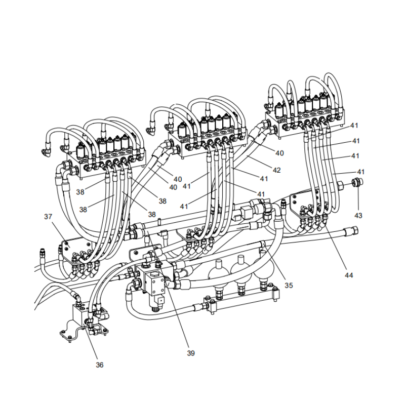
31 318307943 1 WELDING BRACKET
32 803423947 1 HOSE ASS’Y
33 803194246 1 HOSE ASS’Y
34 803415540 1 HOSE ASS’Y

35 803697898 1 IMPREGNATED HOOP
36 318307931 1 PRESSURE REDUCING VALVE ASSEMBLY
37 318305821 3 CONNECTOR ASSEMBLY
38 803434163 4 HOSE ASS’Y
39 318307940 1 STEEL PIPE ASSEMBLY
40 803389095 3 HOSE ASS’Y
41 803107076 8 HOSE ASS’Y
42 803410292 1 HOSE ASS’Y
43 803174492 1 CONNECTOR
44 803435011 1 HOSE ASS’Y
##