We’re happy to help you find the best option for your application.
In high-intensity work scenarios such as large-scale mining and heavy engineering construction, the cab of the XCMG XE2000 mining excavator serves as the operator’s “command center,” while the cab electrical system (part number: 318307010) acts as the “nerve center” connecting the operator and the equipment. It bears the crucial responsibilities of transmitting operating commands, controlling the environment, and monitoring status, making it a key system component ensuring driving comfort, operational accuracy, and operational safety.
The XCMG XE2000 excavator cab integrates multiple functions such as control, display, and environmental adjustment, placing extremely high demands on the electrical system’s compatibility, response speed, and user-friendly design. The 318307010 cab electrical system is an intelligent control core specifically developed for the XE2000 model cab. After comprehensive ergonomic matching and functional debugging, it seamlessly integrates with key components such as the operating handles, instrument panel, control panel, and air conditioning system within the cab. Its hardware interfaces and control logic strictly adhere to cab design standards, accurately receiving every operator instruction and quickly translating it into equipment actions or environmental adjustment signals, ensuring zero-delay transmission of operating instructions and enabling precise equipment control.
As the “central cabin” of the equipment, the cab’s electrical system must adapt to the complex environment both inside and outside the cab over long periods, facing multiple challenges such as vibration, impact, temperature changes, and dust intrusion, placing stringent requirements on its stability and durability. The 318307010 cab electrical system adopts a high-protection-level hardware design. Key components such as the core control module and wiring interfaces possess excellent dust and moisture resistance, effectively resisting the intrusion of dust and moisture from both inside and outside the cab. The wiring layout has been optimized and streamlined, using specialized cables resistant to high and low temperatures and aging, coupled with robust fixing clips, to maintain stable wiring connections even under severe vibrations during equipment operation. Simultaneously, the system incorporates multiple safety mechanisms, including overload protection and short-circuit protection, effectively preventing functional failures due to circuit faults and significantly reducing the risk of electrical malfunctions in the cab.
The efficient operation of the cab electrical system is the core guarantee for comfortable operation of the XCMG XE2000 excavator. The 318307010 cab electrical system, through intelligent functional design, injects strong momentum into improving the driving experience and operational efficiency. It features a high-definition LCD instrument panel that displays key parameters such as engine speed, hydraulic pressure, fuel consumption, and fault codes in real time, allowing operators to monitor the equipment’s operating status at any time. The integrated multi-functional control panel allows for convenient adjustment of air conditioning temperature, fan speed, and lighting modes, creating a comfortable driving environment for the operator and reducing fatigue during long working hours. The system also supports operation permission management and operation data recording, facilitating fleet management and operation analysis. In emergencies, the system can quickly respond to emergency stop commands to ensure operational safety. Whether in the scorching heat of an open-pit mine or the dust-filled atmosphere of a construction site, the 318307010 cab electrical system provides stable and reliable intelligent control support for XCMG XE2000 excavator operators. If you are looking for a reliable electrical system solution for the maintenance or upgrade of the XCMG XE2000 excavator cab, the 318307010 cab electrical system is undoubtedly the ideal choice. Choose it for smarter and more comfortable driving, ensuring safer and more efficient operation every time.

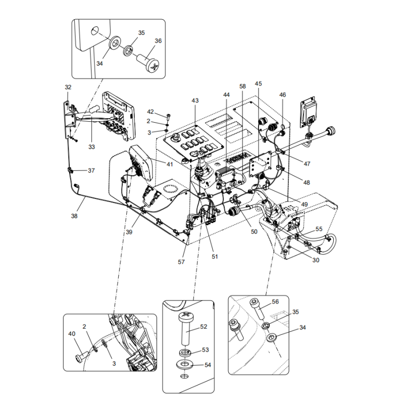
1 805140016 7 SCREW M5×20 GB/T818-2000
2 805338380 23 WASHER 5 GB/T93-1987
3 805338383 23 WASHER 5 GB/T97.1-2002
4 803592249 1 STROBE LIGHT
5 801972258 1 ADHESIVE TAPE L=160
6 318306858 1 WARNING LAMP SUPPORT ASSEMBLY
7 803588185 1 REVERSING ALARM
8 805046508 12 BOLT M8×20 GB/T5783-2000
9 329900296 67 THICKENED LARGE WASHER
10 329900301 2 THICKENED FLAT WASHER
11 819948100 3 MOUNTING CLAMP
12 803589267 3 LEDWORK LAMP
13 318307844 1 ROOF LAMP WIRE HARNESS
14 803697902 6 IMPREGNATED HOOP
15 805046504 57 BOLT M8×16 GB/T5783-2000
16 803697888 20 IMPREGNATED HOOP
17 318306808 1 ELECTRICAL PARTS ATTACHED TO DRIVER’S CAB
18 803589420 2 WORK LAMP
19 803596028 1 VIDEO DISPLAY
20 318307205 1 CONSOLE PANEL BOX
21 803788130 1 VEHICLE-MOUNTED IOT INFORMATION TERMINAL
22 318306801 1 INTERIOR TRIM TRANSITIONAL WIRE HARNESS
23 803801389 1 RIGHT ELECTRIC-OPERATED HANDLE
24 318305014 1 RIGHT ARMREST
25 803801388 1 LEFT ELECTRIC-OPERATED HANDLE
26 318305032 1 LEFT HANDRAIL BOX ASSEMBLY
27 318307259 1 ARMREST BOX CONNECTING LINE
28 803801390 1 PEDAL
29 819942516 3 AMP MOUNTING FIXTURE
30 329900297 12 THICKENED LARGE WASHER
31 805046416 4 BOLT M10×30 GB/T5783-200

32 318306902 1 VIDEO DISPLAY SUPPORT
33 803753300 1 UNIVERSAL BALL BRACE ASSEMBLY
34 805338275 14 WASHER 6 GB/T97.1-2002
35 805338258 14 WASHER 6 GB/T93-1987
36 805139890 6 SCREW M6×16 GB/T818-2000
37 803697891 13 IMPREGNATED HOOP
38 318306803 1 INTERIOR HARNESS
39 803697899 3 IMPREGNATED HOOP
40 805140014 8 SCREW M5×12 GB/T818-2000
41 803589973 1 ELECTRONIC MONITOR
42 805140015 8 SCREW M5×16 GB/T818-2000
43 318307200 1 SWITCH MOUNTING ASSEMBLY
44 312602062 1 DC-DCINVERTER
45 316102558 1 RECORDER SUPPORT
46 803751421 1 MAIN ENGINE OF VEHICLE-MOUNTED DIAGNOSIS SYSTEM
47 803697889 1 IMPREGNATED HOOP
48 803697895 1 IMPREGNATED HOOP
49 803697898 1 IMPREGNATED HOOP
50 803697894 1 IMPREGNATED HOOP
51 803697890 1 IMPREGNATED HOOP
52 805140011 4 SCREW M4×16 GB/T818-2000
53 805338379 4 WASHER 4 GB/T93-1987
54 805338382 4 WASHER 4 GB/T97.1-2002
55 805011330 8 BOLT M10×25 GB/T5783-2000
56 805139840 8 SCREW M6×25 GB/T70.1-2008
57 318307204 1 CONSOLE PANEL WIRE HARNESS
58 803697886 5 IMPREGNATED HOOP
##