We’re happy to help you find the best option for your application.
The left wire duct structure 318304910 is specially designed to house and protect the various electrical wires of the XE2000 excavator. It creates a secure and enclosed space for the wires, shielding them from external hazards such as dust, dirt, water splashes, and accidental impacts on the construction site. By preventing the wires from being exposed to these harsh elements, it effectively reduces the risk of wire damage, short circuits, and electrical failures. This comprehensive protection ensures that the excavator’s electrical system can operate stably even in the most challenging working environments.
A well – organized electrical system is essential for easy maintenance and troubleshooting. The 318304910 left wire duct structure features a rational internal layout that allows for neat arrangement of wires. It separates different types of wires, avoiding tangling and confusion. This orderly wire management not only makes it easier for maintenance personnel to identify and access specific wires during inspections or repairs but also reduces the time and effort required for maintenance work. As a result, the downtime of the XE2000 excavator is minimized, and its working efficiency is greatly improved.
Constructed from high – quality and wear – resistant materials, the left wire duct structure 318304910 is built to withstand the test of time and the harsh conditions of construction sites. It has excellent resistance to corrosion, aging, and high and low temperatures, ensuring that it can maintain its structural integrity and protective performance over a long service life. This durability means that you don’t have to worry about frequent replacements of the wire duct structure, saving you maintenance costs and ensuring the long-term reliability of the excavator’s electrical system.
The 318304910 left wire duct structure is specifically designed and manufactured for the XCMG XE2000 excavator. It perfectly matches the installation dimensions and characteristics of the XE2000, ensuring a seamless fit during installation. and convenient, ensuring quick and easy setup.
For XCMG XE2000 excavator owners and operators, protecting the electrical system is crucial for the machine’s performance and longevity. The left wire duct structure with part number 318304910 is an essential component that provides comprehensive protection, orderly wire management, long-term durability, and a perfect fit. Invest in the 318304910 left wire duct structure to ensure the safe and efficient operation of your XE2000 excavator’s electrical system, and keep your construction projects running smoothly.

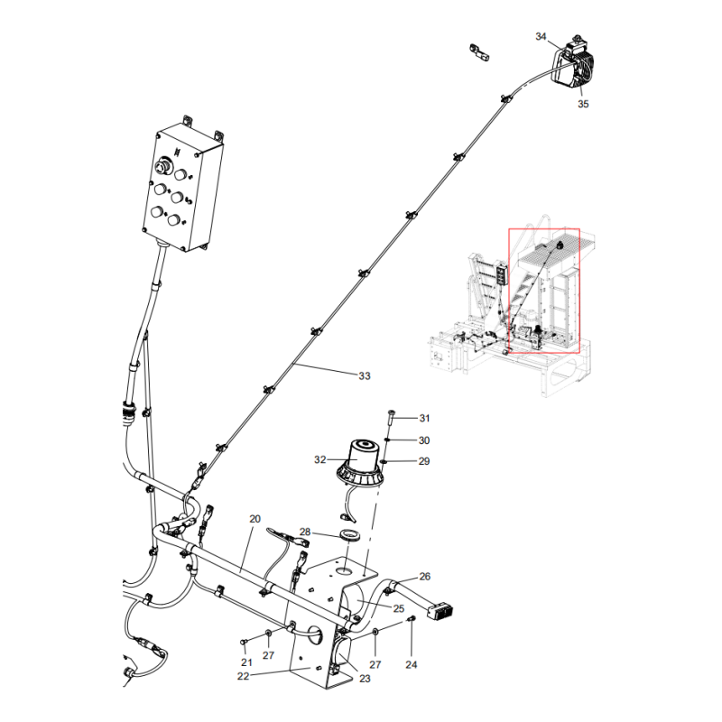
1 805046525 4 BOLT M10×20 GB/T5783-2000
2 329900297 4 THICKENED LARGE WASHER
3 318305040 1 LADDER CONTROL BOX ASSEMBLY
4 318305023 1 LEFT TRUNKING ARCHITECTURE HARNESS ASSEMBLY II
5 803697895 1 IMPREGNATED HOOP
6 318304878 1 STAIR SOLENOID VALVE BRACKET
7 318304956 1 LEFT TRUNKING ARCHITECTURE HARNESS ASSEMBLY III
8 803697886 7 IMPREGNATED HOOP
9 318304712 1 STAIR PUMP HARNESS BRACKET
10 803697902 11 IMPREGNATED HOOP
11 803596029 4 INDUCTIVE PROXIMITY SENSOR – M12
12 316508013 1 EMERGENCY STOP SWITCH ASSEMBLY
13 805338382 2 WASHER 4 GB/T97.1-2002
14 805338379 2 WASHER 4 GB/T93-1987
15 805140011 2 SCREW M4×16 GB/T818-2000
16 803697891 1 IMPREGNATED HOOP
17 803697887 1 IMPREGNATED HOOP
18 803697899 3 IMPREGNATED HOOP
19 819948100 11 MOUNTING CLAMP

20 318305026 1 LEFT TRUNKING ARCHITECTURE HARNESS ASSEMBLY I
21 805046504 56 BOLT M8×16 GB/T5783-2000
22 318304801 1 LEFT TRUNKING ARCHITECTURE HARNESS ASSEMBLY
23 803588657 1 WORK LAMP
24 805046508 6 BOLT M8×20 GB/T5783-2000
25 803588185 1 REVERSING ALARM
26 803697890 5 IMPREGNATED HOOP
27 329900296 62 THICKENED LARGE WASHER
28 801972258 1 ADHESIVE TAPE L=160
29 805338383 3 WASHER 5 GB/T97.1-2002
30 805338380 3 WASHER 5 GB/T93-1987
31 805140016 3 SCREW M5×20 GB/T818-2000
32 803592249 1 STROBE LIGHT
33 318304949 1 LEFT TRUNKING ARCHITECTURE HARNESS ASSEMBLY IV
34 803589267 1 LEDWORK LAMP
35 803697888 12 IMPREGNATED HOOP